VCO specification  XC-VCO-3P507-2022.V1.2
VCO specification XC-VCO-3P507-2022.V1.2
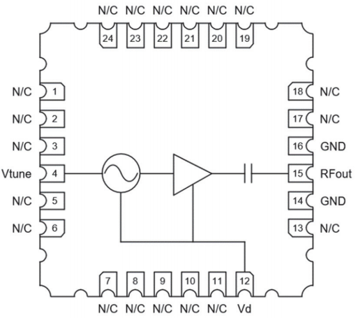
XC-VCO-3P507 is a voltage controlled oscillator chip that can operate stably in the temperature range of -55℃ to +85℃. The chip has excellent stability and consistency, and is widely used in communication, radar, test and measurement fields.
Submit the product intention list

Online service

  Telephone:+86-0755-89960485

   Cell phone:+86-15338745601

 Mail:william@hkearthchips.cn

 Wechat:+86-15338745601